
DKJ-M 電動アクチュエータは、DDZ タイプの電子ユニット複合機器の実行ユニットであり、調整ユニット (またはコンピュータ) からの信号を受け取り、アクチュエータを自動的に制御して調整タスクを完了します。 発電所の化学、石油、冶金、建材、熱供給、水処理、その他の産業に広く適用されています。 各種電動マニピュレータを搭載したDKJ型電動アクチュエータは、調整対象物に対する遠隔手動操作のための調整システムの「マニュアル・オート」の切り替えをタイムリーに実現します。 当社が生産するアクチュエータ位置発信器はすべて最新のセンサパッケージを採用しています。外国企業の最新回路を参考にし、電源トランス、整流、電圧安定化、電力増幅、定電流を統合して製作したモジュール(M)は、アクチュエータの信頼性と安定性を高め、システムをより安全で安全なものにします。信頼性のある。
モデル
DKJ-M オンオフ型電動アクチュエータ

技術的パラメータ
1. 入力信号: タイプ II 0-10mA DC; タイプ III 4-20mA DC
2. 入力チャンネル: 3
3. 入力チャンネルインピーダンス: タイプ II 200Ω、タイプ III 250Ω
4.出力トルク:上表参照
5.総移動時間: 上の表を参照
6.基本誤差の限界:±2。 5%
7.デッドゾーン:3%以下
8.減衰特性:3周期半以下
9.返品差額:1.5%以下
10. 電源電圧: 220V (±10%、±15%) 周波数 50Hz
11. 使用環境温度: アクチュエータ: -10~+55C または -25~+70 度; アンプ: 0~+50度
12. 使用環境の相対湿度: アクチュエータ: 95% 以下。 アンプ: 10%-70%
製品の特徴
1.The product has reasonable structure, strict production technology and quality management, so that the high reliability of the actuator is ensured, with Mean Time Between Failure (MTBF) >25000時間。
2.位置発信器のスイッチング回路は高い誘導電圧耐性を持ち、その性能は国内外の類似製品を上回ります。
3.トラベルコントロールカムは干渉することなく独立して調整できるため、調整が簡単で便利です。
4.高トルクアクチュエータにはAC単相モータを採用し、自動制御システムの利便性を高めています。
5.特殊材料で作られたモーターブレーキホイールは、信頼性の高いブレーキ、長寿命、類似製品よりも優れた特性を備えています。
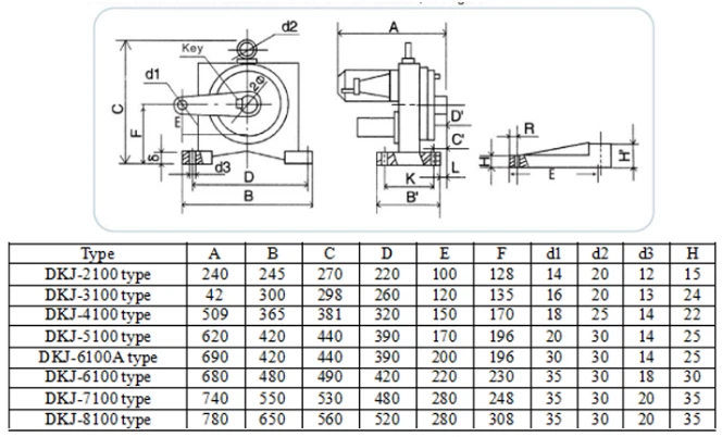
全体寸法と設置寸法
アクチュエータの全体寸法および取り付け寸法は図を参照してください。


商品の展示

関連製品


人気ラベル: 1/4 回転電動ダンパー バルブ アクチュエーター、中国、メーカー、サプライヤー、工場、購入、価格、見積もり
